网站首页
产品中心
激光器
TOPTICA激光器
KIMMON KOHA 氦镉激光器
ATLEX-L新型工业级准…
ATLEX-S OEM用准分子激光器
ATLEX-LR 准分子激光器
激光二极管
飞秒激光器
OPO激光器
YAG激光管
激光测量
波长计
光谱仪
激光加工
Optec MAS-300
准分子激光微加工系统
Optec ProMaster
终极紧凑准分子激光微加工系统
Optec LSV3
紧凑准分子激光微加工系统
Optec MicroMaster
准分子激光微加工系统
Optec Light Bench-Rx
准分子激光微加工系统
WOP FemtoFAB
飞秒激光加工机床
WOP FemtoLAB
实验室用飞秒激光加工系统
光学元件
光学配件
位移台
光学平台
自水平隔振光学平台
气浮隔振光学平台Ⅱ
气浮隔振光学平台
普通光学平台Ⅱ
普通光学平台
隔振光学平台
拉曼光谱
inVia™共焦显微拉曼光谱仪
inVia™ InSpect共焦显微拉曼光谱仪
Virsa™拉曼分析仪
RA802药物分析仪
RA816生物分析仪
联用/混合拉曼系统
拉曼软件
拉曼附件
定制拉曼解决方案
OEM用拉曼产品
AFM显微镜
Dimension XR 原子力显微镜
Dimension FastScan 原子力显微镜
Dimension Icon 原子力显微镜
MultiMode 8-HR 原子力显微镜
Dimension Edge 原子力显微镜
Innova® 原子力显微镜
WaferGen Smartchip PCR
材料性能分析
材料特征及定性分析
同位素丰度的精确分析
化学定量分析
关于我们
公司介绍
联系我们
010-62530265
13911171804
网站首页
产品中心
激光器
激光测量
激光加工
光学元件
光学平台
拉曼光谱
AFM显微镜
WaferGen Smartchip PCR
材料性能分析
材料特征及定性分析
同位素丰度的精确分析
化学定量分析
关于我们
公司介绍
联系我们
您当前所在位置:
首页
>
产品中心
>
光学元件
>
光学配件
光学配件
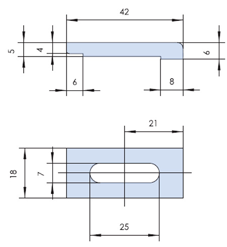
压板:ZH101YB
产品咨询
产品概述